2015-06-30 09:47:38混合燃油內燃鋼軌鋸軌機的操作使用
混合燃油內燃鋼軌鋸軌機的操作 1.1兩沖程汽油機選用93#及以上汽油和兩沖程汽油···
了解詳情
混合燃油內燃鋼軌鋸軌機的操作 1.1兩沖程汽油機選用93#及以上汽油和兩沖程汽油···
了解詳情
內燃鋼軌鋸軌機使用安全規定 1、操作人員必須經過培訓合格,持證上崗。操作時應戴好保護鏡、手套等防護···
了解詳情
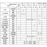
內燃鋼軌鉆孔機發動機保養日程表 (1)多塵地區,保養更勤。 (2)這些項目應交給···
了解詳情
內燃鋼軌鉆孔機安全操作規程 1 適用范圍 本規程規···
了解詳情
鋸軌機作業安全 1、鋸軌前必須對鋸軌機進行全面檢查,嚴禁帶病使用。鋸軌手作業時必須戴頭盔,鋸軌機對···
了解詳情
鋸軌機砂輪片的選用,儲存,使用注意事項: 1必須選用正規生產廠家的砂輪片,內部有尼龍加強網,安全線···
了解詳情